Definition of osteoporosis: A disease characterized by low bone mass and deterioration of bone tissue, which can lead to increased risk of fracture. It is a silent disease until complicated by fractures with minimal or no trauma. Only 50% of people diagnosed with osteoporosis have been tested prior to their fracture – with vertebral (spine) and hip fractures being most common as well as most debilitating, each with significant permanent disability or mortality risk.
Normal Bone
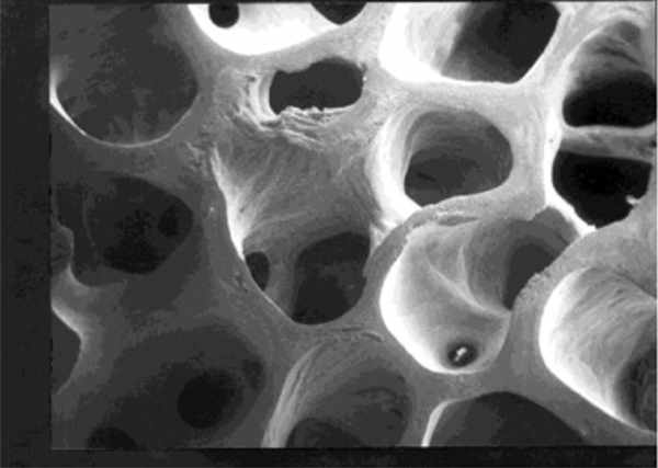
Osteoporotic Bone
A large body of evidence supports weight-bearing and resistance exercise to increase and maintain bone density. When bones are more dense, they are much less likely to fracture. Most people do not know how to best accomplish such an exercise program unless they are instructed by a knowledgeable professional, and many people either get hurt or even bored when following a poorly designed exercise program. As physical therapists, our goal is to promote, maintain, and preserve bone health through the life span, reduce age-related bone loss, reduce fracture risk, and manage and treat bone loss, osteoporosis and fractures when required. This is a practical approach to comprehensive personal mechanical health with problem solving, focusing on developing exercise prescription along with manual therapy treatment as necessary to promote optimal bone building and balanced health.
Care objectives – Empower each body owner to:
- Understand current medical evidence regarding osteoporosis as it relates to one’s own specific needs and desires.
- Confidently practice a personally designed weight bearing and postural enhancement exercise program
- Receive accurate flexible curve measurement of undesirable spinal alignment if needed
- Practice biomechanically safe and efficient exercise and daily life movements
- Receive manual therapy soft tissue techniques highlighting osteopathic muscle energy, trigger point release, myofascial unbinding, PNF with deep tissue mobilization as needed for pain and musculoskeletal imbalances
- Correct postural problems such as kyphosis (rounded upper back), forward head, low back malalignment, scoliosis and ankle/hip/foot issues with customized orthotics if needed.
